SX1509 16 channel I/O Expander with LED driver and keypad engine
Component/Hub
The SX1509 component allows you to expand your I/O capabilities:
(datasheet,
SparkFun_) in ESPHome. It uses I²C Bus for communication.
Once configured, you can use any of the 16 pins as pins for your projects. Within ESPHome they emulate a real internal GPIO pin and can therefore be used with many of ESPHome’s components such as the GPIO binary sensor or GPIO switch. The SX1509 can do much more than just simple digital pin control. It can produce PWM signals. And, with a built-in keypad engine, it can interface with up to 64 buttons set up in an 8x8 matrix.
Any option accepting a Pin Schema can theoretically be used, but some more complicated components that use the pin schema will not work. For example the I²C or SPI pins.

# Example configuration entry for the SX1509 device
sx1509:
  - id: sx1509_hub1
    address: 0x3E
    # If you need a keypad
    keypad:
      key_rows: 3
      key_columns: 4
      sleep_time: 256
      scan_time: 2
      debounce_time: 1Configuration variables
- id (Required, ID): The id to use for this SX1509 component.
 - address (Optional, int): The I²C address of the driver.
Defaults to 
0x3E. 
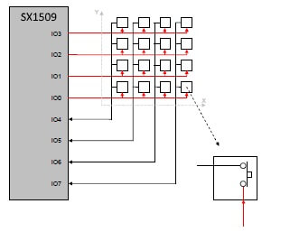
The SX1509 integrates a fully programmable keypad scanning engine to implement keypad applications. up to 8x8 matrix (i.e. 64 keys).
keypad (Optional): Add this to enable the keypad.
key_rows (Required, int): The number of keypad rows to use. This enables any number of the first 8 pins. So a value of 3 enables pins 0,1,2 to be used as the rows for the keypad matrix. This value must be between 2 and 8.
key_columns (Required, int): The number of keypad columns to use. This enables any number of the last 8 pins. So a value of 4 enables pins 8,9,10,11 to be used as the columns for the keypad matrix. This value must be between 1 and 8.
sleep_time (Optional, int): No key press within this time will set keypad engine to sleep.
scan_time (Optional, int): Scan time per row (must be set above debounce time).
debounce_time (Optional, int): The debounce time is common to all IOs.
keys (Optional, string): The keys present on the matrix, from top left to bottom right, row by row. Required for
key_collector.on_key (Optional, Automation): An automation to perform when a key has been pressed. The key is in a variable called
x.

Attention should be paid to the capabilities of the I/O pins.ℹ️ Note
Automatic handling of multiple keys (e.g. PIN code entry) is possible with the the Key Collector component.
| I/O | Input Output PWM | Row | Column | 
|---|---|---|---|
| 0 | ✓ | ✓ | |
| 1 | ✓ | ✓ | |
| 2 | ✓ | ✓ | |
| 3 | ✓ | ✓ | |
| 4 | ✓ | ✓ | |
| 5 | ✓ | ✓ | |
| 6 | ✓ | ✓ | |
| 7 | ✓ | ✓ | |
| 8 | ✓ | ✓ | |
| 9 | ✓ | ✓ | |
| 10 | ✓ | ✓ | |
| 11 | ✓ | ✓ | |
| 12 | ✓ | ✓ | |
| 13 | ✓ | ✓ | |
| 14 | ✓ | ✓ | |
| 15 | ✓ | ✓ | 
Binary Sensor
To use the individual keys on the keypad you need to add individual binary_sensor entries in the config.
# individual binary_sensor for keypad keys
binary_sensor:
  - platform: sx1509
    sx1509_id: sx1509_hub1
    name: "keypadkey_0"
    row: 0
    col: 0
  - platform: sx1509
    sx1509_id: sx1509_hub1
    name: "keypadkey_1"
    row: 0
    col: 1Configuration variables
- row (Required, int): The row number for this key on the keypad.
 - col (Required, int): The column number for this key on the keypad.
 
Pin configuration variables
With the following configuration items you may use the individual pins of the SX1509 as the pins for binary_sensor, switch, or output. The outputs can in turn be used to add PWM-enabled lights like the monochromatic light.
# individual binary_sensor inputs
binary_sensor:
  - platform: gpio
    name: "SX1509 Pin #0"
    pin:
      sx1509: sx1509_hub1
      # Use pin number 0 on the SX1509
      number: 0
      mode:
        input: true
        pullup: true
      inverted: true
# Individual binary outputs
switch:
  - platform: gpio
    name: "SX1509 Pin #1"
    pin:
      sx1509: sx1509_hub1
      # Use pin number 1 on the SX1509
      number: 1
      # use as output for switch
      mode:
        output: true
      inverted: false
# Individual outputs
output:
  - platform: sx1509
    sx1509_id: sx1509_hub1
    id: 'sx1509_output'
    # Use pin number 2 on the SX1509
    pin: 2
# lights can then use the configured output
light:
  - platform: monochromatic
    id: light0
    name: "light0"
    output: sx1509_outputsx1509 (Required, ID): The id of the SX1509 component of the pin.
number (Required, int): The pin number.
inverted (Optional, boolean): If all read and written values should be treated as inverted. Defaults to
false.mode (Optional, string): A pin mode to set for the pin at. One of
INPUT,INPUT_PULLUP,OUTPUT, orOUTPUT_OPEN_DRAIN.